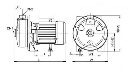
CPS Series stainless steel horizontal centrifugal pump,characteristicis with lower head and big capacity.
Model :
CPS550Imported caliber (DN) :
25Export caliber (DN) :
25Rated flow (m³/h) :
3.6Rated head (m) :
11Motor speed (rpm) :
2850Motor power (kw) :
0.55Material :
Stainless steelCPS Series stainless steel horizontal centrifugal pump

characteristicis with lower head and big capacity.
Technical Data:

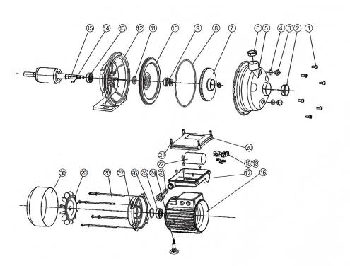
Exploded view:


Performance chart:



